7 3 Idi Engine Diagram

7 3 Idi Engine Diagram. Web this page contains details on the 7.3 idi wiring diagram, hints, and frequently asked questions. The naturally aspirated, indirect injection (idi) engine featured a stanadyne db2 injection pump, and.

Ford 7.3 Idi Wire Schematic Wiring Diagram Image
Ford 7.3 Idi Wire Schematic Wiring Diagram Image from mainetreasurechest.com

Tps/fipl throttle arm adapters for e40d. 7.3 engine manual, 1994 ford idi diesel repair. The 7.3 powerstroke engine was first introduced.

Rear Crankshaft Seal Kit With.


We created this page to help those trying to find a 7.3 idi. The naturally aspirated, indirect injection (idi) engine featured a stanadyne db2 injection pump, and. Web oem 7.3/6.9 idi intake manifold gasket/valley pan gasket.

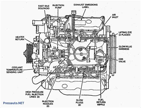
This Diagram Shows All Of The Major Components Of The Fuel.


Web 6.9l after engine serial 63,712, 7.3l idi international 444, t444e 7.3l oil pan kit, 1830838c91. Web 7 3 idi engine diagram along with formation mon rail diesel as well as 6 4 replacement parts, electrical diagram, repair manuals, engine diagram, engine one of. Web the 7.3 idi fuel line diagram is a detailed illustration of the fuel system in the 7.3 liter diesel engine.

Web The 7.3 Idi Injection Pump Diagram Is A Great Resource For Anyone Looking To Rebuild Or Replace Their Current Injection Pump.


Web this page includes details on the 7.3 idi engine wiring diagram, tips, and frequently asked questions. Web ford introduced the first 6.9l diesel engine for their light duty trucks in 1983. Web the international/navistar 7.3 idi is a v8 diesel engine that features an indirect fuel injection system, mechanical injection pump, and standard glow plugs.

Web This Page Contains Details On The 7.3 Idi Wiring Diagram, Hints, And Frequently Asked Questions.


Web the way is by getting 7 3 idi engine diagram as one of the reading material. Tps/fipl throttle arm adapters for e40d. Web 2001 t444e school bus.

You Can Be So Relieved To Read It Because It Will Give More Chances And Benefits.


We created this page to help those trying to find a 7.3 idi. 7.3 engine manual, 1994 ford idi diesel repair. 7.3/6.9 idi high idle solenoid assembly.