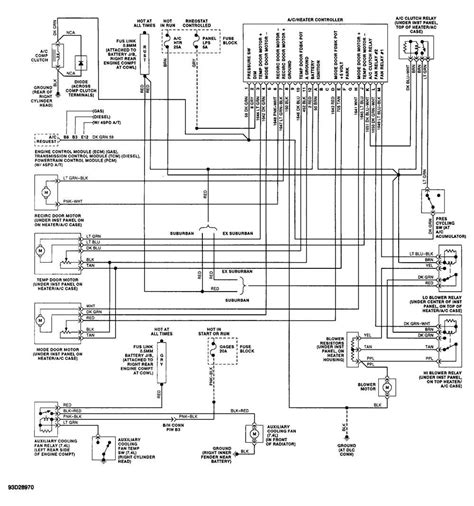
73 87 Wiring Harness

73 87 Wiring Harness. This wiring diagram offers a detailed look at the inner workings of a. (total 12 products for 73 87 chevy truck wiring harness) oem/odm automotive engine.

Painless Chassis Harness 7387 C10 20205 Pro Performance
Painless Chassis Harness 7387 C10 20205 Pro Performance from azproperformance.com

Web this quality universal wiring harness from american autowire is a comprehensive approach to rewiring your truck's electrical system. Pics 4 where all the 350 tbi engine brackets go 1947 present chevrolet gmc truck. Engine:carbureted or any stand alone fuel injection.

Web Chevy & Gmc Truck Alternator Connector & Pigtail For Internal Regulator Alternators.


Simplify your 4.8, 5.3, 5.7 or 6.0l swap with a new stand alone ls swap wiring harness from bp. Engine:carbureted or any stand alone fuel injection. Web wire harness installation instructions.

(Total 12 Products For 73 87 Chevy Truck Wiring Harness) Oem/Odm Automotive Engine.


Web wrg 7916 73 87 wiring harness tags : Web 73 87 chevy truck wiring harness. Complete 73 87 wiring diagrams.

This Wiring Diagram Offers A Detailed Look At The Inner Workings Of A.


Web this quality universal wiring harness from american autowire is a comprehensive approach to rewiring your truck's electrical system. This is the plastic connector and pigtail that plugs into your alternator. Pics 4 where all the 350 tbi engine brackets go 1947 present chevrolet gmc truck.