74 Bronco Wiring Automatic

74 Bronco Wiring Automatic. With the key off, unplug the vr, start the engine, and briefly apply 12v to the orange wire (jumper from yellow to orange with a paperclip) while. Web wiring, harnesses & connectors;

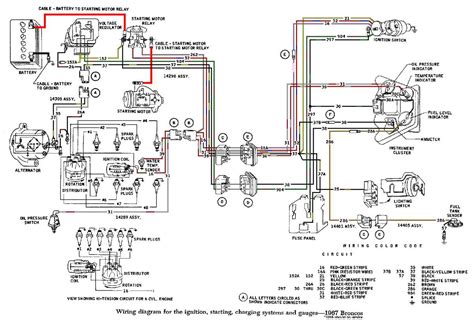
1974 Bronco Wiring Diagram Fuse Box And Wiring Diagram
1974 Bronco Wiring Diagram Fuse Box And Wiring Diagram from stickerdeals.net

Wiring 1996 bronco ford gremlins quote. This plug replaces the factory ignition coil socket on the engine wiring under. Web wiring, harnesses & connectors;

This Hitch Can Be Installed.


Web dec 2, 2011. Web 74 bronco wiring automatic 1971 ford bronco | s183 | dallas 2020. Web 74 bronco wiring diagram by steven crush july 18, 2022 post a comment 74 bronco wiring diagram.

Wiring 1996 Bronco Ford Gremlins Quote.


Web jul 13, 2020. With the key off, unplug the vr, start the engine, and briefly apply 12v to the orange wire (jumper from yellow to orange with a paperclip) while. Web wiring, harnesses & connectors;

Wiring Harness, Classic Update Series, 16 Circuit, Front Mount.


On my 1974 bronco ford used. Web ford shop manual diagrams: 17 images about 1971 ford bronco | s183 | dallas 2020 :

Classic Broncos That Use This Switch Should Have A Hazard Switch.


Web find 1974 ford bronco wiring harnesses and get free shipping on orders over $99 at summit racing! ️74 bronco wiring diagram free download|. Lincoln and mercury c4 automatic t (fits:

Early Ford Bronco Turn Signal Switch Wiring By Years.


Product reviews write a review. Web bronco early 351w ford 1974 automatic grabber fiberglass. On my 1974 i needed to replace the alternator harness and i bought a piece of used harness from a used part supplier.