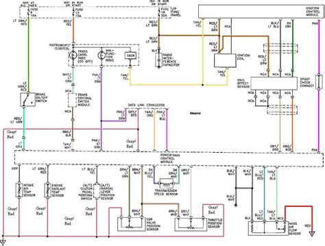
80 F150 Ignition Module Wiring Harness

80 F150 Ignition Module Wiring Harness. Web buy a 1980 ford f150 trailer wiring harness connector at discount prices. Web i'm repairing the wire harness for a 82 f150 with a 4.0l i6.

80 f150 ignition module wiring harness
80 f150 ignition module wiring harness from wireschematicbeck101.z21.web.core.windows.net

Web ignition module automatic transmission. 1980 ford f100 pickup 2wd 1981 ford f100 pickup 2wd 1982 ford f100 pickup 2wd. Choose top quality brands diy solutions.

Web I'm Repairing The Wire Harness For A 82 F150 With A 4.0L I6.


Wiring pigtail 1982 f250 wires. I have installed a 85 5.0 into a 93 ford ranger but im having trouble wiring up the ignition module. Wiring pigtail 1982 f250 wires.

Web Ignition F150 1985 F250 Regard Fixya.


The ignition module has 8 wires. Web buy a 1980 ford f150 trailer wiring harness connector at discount prices. I have the coil and the distributer wired.

How To Test The Ford Ignition Control Module.


Web i have installed a 85 5.0 into a 93 ford ranger but im having trouble wiring up the ignition module. Web ignition module wiring on 85 f150. How to test the ford ignition.

2008 Ford F150 Remote Start Installation.


Web order ford f150 ignition system wiring harness online today. Web ford ignition control module wiring : 1980 ford f100 pickup 2wd 1981 ford f100 pickup 2wd 1982 ford f100 pickup 2wd.

Harness Ignition Issue F150 351W Distributer Wire Need.


Web ignition module automatic transmission. You can find the ignition control module test explained here: You can find the ignition control module test explained here: